24小时服务热线: 400-878-0818

专注芯片服务10余年

专业技术支持,稳定供货保障

荔枝视频APP黄色下载电子-3000+客户选择了荔枝视频APP黄色下载芯片供应服务

热搜关键词: 数字荔枝视频官网在线观看 荔枝视频APP黄色下载电子荔枝视频官网在线观看 荔枝视频在线观看下载污免费芯片

低成本、多路输出隔离电源方案

来源: | 发布日期:2025-08-01 浏览量:

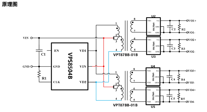
        工业控制领域,通讯板电源设计是关键。传统方案为每个RS-485芯片单独配备电源模块。

        现推出源特半导体的多路输出方案:采用单个DC/DC隔离电源模块配合多路变压器,为板上多个485芯片集中供电,显著降低成本。

RS485

        方案还提供桥式整流器VPS2703,集成了智能限压器功能,不需要在外围添加假负载电阻,在空载时才吸收电流,有效防止输出电压飘高。而且该智能限压器在输出带负载时不起作用,因此不牺牲效率。

VPS2703原理图

      GQ通信在动环系统国产化替换中,发现替换后的485电源模块成本仍偏高。后采用荔枝视频APP黄色下载电子的多路输出方案,成功将成本控制在预期内。

【本文标签】

【声明】

最新资讯

网站地图